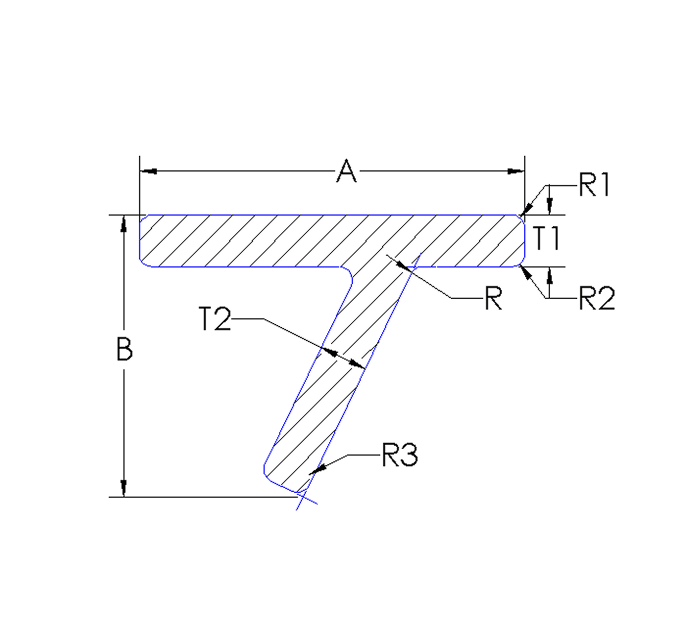
Aluminum Tee offset - Angled Un-Equal Thickness is an aerospace shapes are used in the manufacture and repair of commercial and military aircraft. Material produced and stocked by Aircraft Extrusion Co in 2024, 7075 and 6061 aircraft alloys and are supplied with full test reports to aircraft and FAA specification of AMS-QQ-A-200/3, AMS-QQ-A-200/11 and AMS-QQ-A-200/8. Aircraft Extrusion Co is AS9100 Rev C and ISO9001:2008 certified company.


Aluminum Tee offset - Angled Un-Equal Thickness is an aerospace shapes are used in the manufacture and repair of commercial and military aircraft. Material produced and stocked by Aircraft Extrusion Co in 2024, 7075 and 6061 aircraft alloys and are supplied with full test reports to aircraft and FAA specification of AMS-QQ-A-200/3, AMS-QQ-A-200/11 and AMS-QQ-A-200/8. Aircraft Extrusion Co is AS9100 Rev C and ISO9001:2008 certified company.