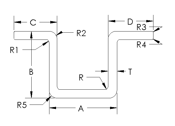
Aluminum Formed Hat is an aerospace shape that is formed from an aluminum sheet, either roll formed or brake formed. They are used in the manufacture and repair of commercial and military aircraft. Material produced and stocked by Aircraft Extrusion Co in 2024, 7075 and 6061 aircraft alloys and are supplied with full test reports to aircraft and FAA specification of AMS-QQ-A-250/4-2024-T42 BARE, AMS-QQ-A-250/5-2024-T42 CLAD, AMS-QQ-A-250/12-7075-T62 BARE, AMS-QQ-A-250/13-7075-T62 CLAD. Aircraft Extrusion Co is AS9100 Rev C and ISO9001:2008 certified company.


Aluminum Formed Hat is an aerospace shape that is formed from an aluminum sheet, either roll formed or brake formed. They are used in the manufacture and repair of commercial and military aircraft. Material produced and stocked by Aircraft Extrusion Co in 2024, 7075 and 6061 aircraft alloys and are supplied with full test reports to aircraft and FAA specification of AMS-QQ-A-250/4-2024-T42 BARE, AMS-QQ-A-250/5-2024-T42 CLAD, AMS-QQ-A-250/12-7075-T62 BARE, AMS-QQ-A-250/13-7075-T62 CLAD. Aircraft Extrusion Co is AS9100 Rev C and ISO9001:2008 certified company.