logo-icon
logo-text
search-icon

Aluminum Angle Unequal Thickness - TMS60-12277

Units

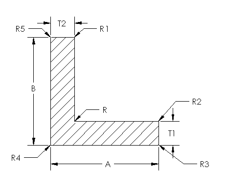
Dimensions

A1.500
B1.035
C0.000
D0.000
E0.000

Thickness

T0.000
T10.600
T20.250
T30.000

Radius

R0.060
R10.031
R20.031
R30.031
R40.031
R50.031
R60.000
R70.000

Additional Specs

Degree90
Circle Size1 - 2 C/S
Factor4
Weight/Foot1.21

Special Note

N/A

Add To Quote

 

Questions? See our alloy guide

Most common: ABCD-1234

*optional

 

*optional

 

Cross Reference Parts

AE Part Number:TMS60-12277

General Dynamics:LS4675

Custom Order

Need a custom part?

We manufacture to your specifications.

Initiate Custom Order

Send us a request

You would like to order something? Have a question or like to make an appointment? Our team of specialists will be happy to assist you. Please fill out our contact form and we will get in touch with you as soon as possible.

We look forward to your message!

 

 

 

 

 

 

logo-icon
logo-text
© 2010 - 2030 Aircraft Extrusion Company.
All Rights Reserved