logo-icon
logo-text
search-icon

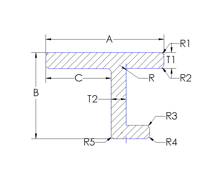
Aluminum Tee -Flanged - TMS60-14042

Units

Dimensions

A1.580
B1.500
C0.770
D0.810
E0.000

Thickness

T0.000
T10.050
T20.050
T30.100

Radius

R0.060
R10.016
R20.016
R30.016
R40.016
R50.016
R60.060
R70.000

Additional Specs

Degree90
Circle Size2 - 3 C/S
Factor28
Weight/Foot0.276

Special Note

N/A

Add To Quote

 

Questions? See our alloy guide

Most common: ABCD-1234

*optional

 

*optional

 

Cross Reference Parts

AE Part NumberTMS60-14042

FederalS-630

Custom Order

Need a custom part?

We manufacture to your specifications.

Initiate Custom Order

Send us a request

You would like to order something? Have a question or like to make an appointment? Our team of specialists will be happy to assist you. Please fill out our contact form and we will get in touch with you as soon as possible.

We look forward to your message!

 

 

 

 

 

 

logo-icon
logo-text
© 2010 - 2030 Aircraft Extrusion Company.
All Rights Reserved