logo-icon
logo-text
search-icon

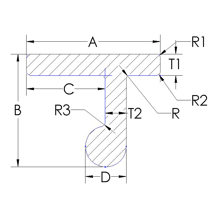
Aluminum Tee - Bulb - TMS60-1430

Units

Dimensions

A2.200
B0.625
C0.000
D0.156
E0.000

Thickness

T0.000
T10.063
T20.063
T30.000

Radius

R0.094
R10.016
R20.016
R30.094
R40.000
R50.000
R60.000
R70.000

Additional Specs

Degree90
Circle Size2 - 3 C/S
Factor25
Weight/Foot0.228

Special Note

N/A

Add To Quote

 

Questions? See our alloy guide

Most common: ABCD-1234

*optional

 

*optional

 

Cross Reference Parts

AE Part Number:TMS60-1430

Custom Order

Need a custom part?

We manufacture to your specifications.

Initiate Custom Order

Send us a request

You would like to order something? Have a question or like to make an appointment? Our team of specialists will be happy to assist you. Please fill out our contact form and we will get in touch with you as soon as possible.

We look forward to your message!

 

 

 

 

 

 

logo-icon
logo-text
© 2010 - 2030 Aircraft Extrusion Company.
All Rights Reserved