logo-icon
logo-text
search-icon

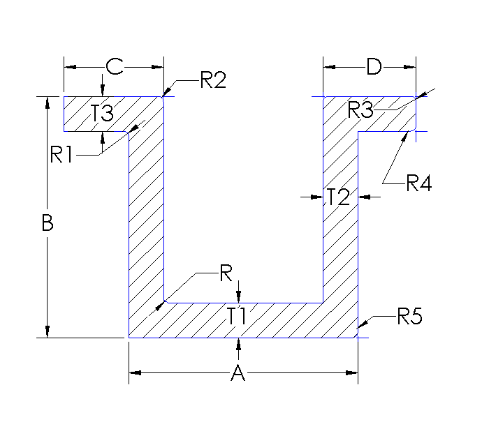
Aluminum Channel - Hat - TMS60-1591

Units

Dimensions

A1.500
B1.000
C0.926
D0.926
E0.000

Thickness

T0.000
T10.188
T20.188
T30.188

Radius

R0.090
R10.090
R20.016
R30.016
R40.016
R50.016
R60.000
R70.000

Additional Specs

Degree0
Circle Size2 - 3 C/S
Factor9
Weight/Foot1.044

Special Note

N/A

Add To Quote

 

Questions? See our alloy guide

Most common: ABCD-1234

*optional

 

*optional

 

Cross Reference Parts

AE Part Number:TMS60-1591

Custom Order

Need a custom part?

We manufacture to your specifications.

Initiate Custom Order

Send us a request

You would like to order something? Have a question or like to make an appointment? Our team of specialists will be happy to assist you. Please fill out our contact form and we will get in touch with you as soon as possible.

We look forward to your message!

 

 

 

 

 

 

logo-icon
logo-text
© 2010 - 2030 Aircraft Extrusion Company.
All Rights Reserved