logo-icon
logo-text
search-icon

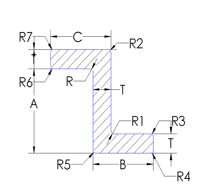
Aluminum Zee, Equal Thickness - TMS60-18718

Units

Dimensions

A1.609
B0.857
C0.857
D0.000
E0.000

Thickness

T0.090
T10.000
T20.000
T30.000

Radius

R0.100
R10.100
R20.043
R30.043
R40.043
R50.043
R60.043
R70.043

Additional Specs

Degree90
Circle Size2 - 3 C/S
Factor18
Weight/Foot0.342

Special Note

N/A

Add To Quote

 

Questions? See our alloy guide

Most common: ABCD-1234

*optional

 

*optional

 

Cross Reference Parts

AE Part Number:TMS60-18718

Boeing Formed Shapes:S-2391

Custom Order

Need a custom part?

We manufacture to your specifications.

Initiate Custom Order

Send us a request

You would like to order something? Have a question or like to make an appointment? Our team of specialists will be happy to assist you. Please fill out our contact form and we will get in touch with you as soon as possible.

We look forward to your message!

 

 

 

 

 

 

logo-icon
logo-text
© 2010 - 2030 Aircraft Extrusion Company.
All Rights Reserved