logo-icon
logo-text
search-icon

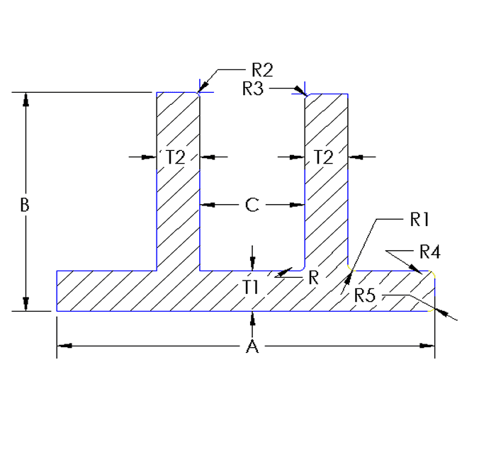
Aluminum Channel - Flanged - TMS60-20502

Units

Dimensions

A1.960
B2.180
C0.300
D0.760
E0.000

Thickness

T0.000
T10.080
T20.070
T30.000

Radius

R0.063
R10.125
R20.016
R30.016
R40.016
R50.016
R60.000
R70.000

Additional Specs

Degree90
Circle Size4 - 5 C/S
Factor22
Weight/Foot0.551

Special Note

N/A

Add To Quote

 

Questions? See our alloy guide

Most common: ABCD-1234

*optional

 

*optional

 

Cross Reference Parts

AE Part Number:TMS60-20502

Custom Order

Need a custom part?

We manufacture to your specifications.

Initiate Custom Order

Send us a request

You would like to order something? Have a question or like to make an appointment? Our team of specialists will be happy to assist you. Please fill out our contact form and we will get in touch with you as soon as possible.

We look forward to your message!

 

 

 

 

 

 

logo-icon
logo-text
© 2010 - 2030 Aircraft Extrusion Company.
All Rights Reserved