logo-icon
logo-text
search-icon

Aluminum Tee - Equal Thickness - TMS60-20859

Units

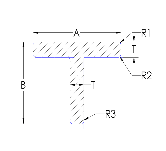
Dimensions

A1.830
B0.660
C0.000
D0.000
E0.000

Thickness

T0.090
T10.000
T20.000
T30.000

Radius

R0.120
R10.016
R20.016
R30.016
R40.000
R50.000
R60.000
R70.000

Additional Specs

Degree90
Circle Size1 - 2 C/S
Factor18
Weight/Foot0.266

Special Note

N/A

Add To Quote

 

Questions? See our alloy guide

Most common: ABCD-1234

*optional

 

*optional

 

Cross Reference Parts

AE Part NumberTMS60-20859

BoeingBAC1505-100726

Custom Order

Need a custom part?

We manufacture to your specifications.

Initiate Custom Order

Send us a request

You would like to order something? Have a question or like to make an appointment? Our team of specialists will be happy to assist you. Please fill out our contact form and we will get in touch with you as soon as possible.

We look forward to your message!

 

 

 

 

 

 

logo-icon
logo-text
© 2010 - 2030 Aircraft Extrusion Company.
All Rights Reserved