logo-icon
logo-text
search-icon

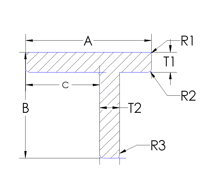
Aluminum Tee offset - Un-Equal Thickness - TMS60-23172

Units

Dimensions

A2.250
B1.375
C1.063
D0.000
E0.000

Thickness

T0.000
T10.250
T20.125
T30.000

Radius

R0.125
R10.031
R20.031
R30.031
R40.000
R50.000
R60.000
R70.000

Additional Specs

Degree90
Circle Size2 - 3 C/S
Factor8
Weight/Foot0.851

Special Note

N/A

Add To Quote

 

Questions? See our alloy guide

Most common: ABCD-1234

*optional

 

*optional

 

Cross Reference Parts

AE Part Number:TMS60-23172

Douglas Formed Shapes:GS183A26

Custom Order

Need a custom part?

We manufacture to your specifications.

Initiate Custom Order

Send us a request

You would like to order something? Have a question or like to make an appointment? Our team of specialists will be happy to assist you. Please fill out our contact form and we will get in touch with you as soon as possible.

We look forward to your message!

 

 

 

 

 

 

logo-icon
logo-text
© 2010 - 2030 Aircraft Extrusion Company.
All Rights Reserved