logo-icon
logo-text
search-icon

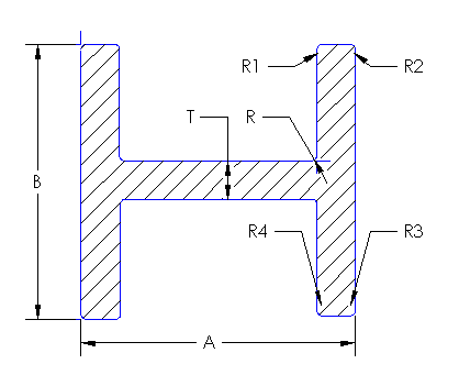
Aluminum H-Beam Equal Thickness - TMS60-23923

Units

Dimensions

A6.700
B4.500
C0.000
D0.000
E0.000

Thickness

T0.280
T10.000
T20.000
T30.000

Radius

R0.250
R10.016
R20.016
R30.016
R40.016
R50.000
R60.000
R70.000

Additional Specs

Degree90
Circle Size2 - 3 C/S
Factor6
Weight/Foot5.15

Special Note

N/A

Add To Quote

 

Questions? See our alloy guide

Most common: ABCD-1234

*optional

 

*optional

 

Cross Reference Parts

AE Part Number:TMS60-23923

Boeing:BAC1518-620

Custom Order

Need a custom part?

We manufacture to your specifications.

Initiate Custom Order

Send us a request

You would like to order something? Have a question or like to make an appointment? Our team of specialists will be happy to assist you. Please fill out our contact form and we will get in touch with you as soon as possible.

We look forward to your message!

 

 

 

 

 

 

logo-icon
logo-text
© 2010 - 2030 Aircraft Extrusion Company.
All Rights Reserved