logo-icon
logo-text
search-icon

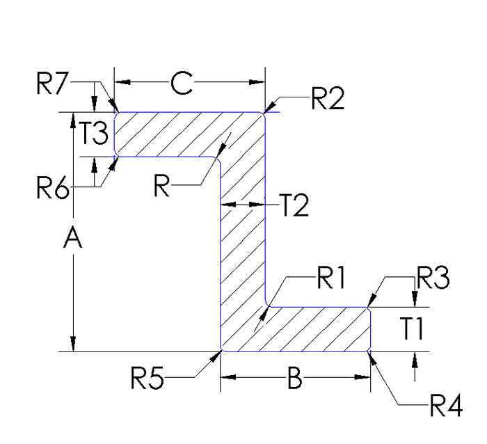
Aluminum Zee, Un-Equal Thickness - TMS60-25546

Units

Dimensions

A1.330
B1.000
C0.900
D0.000
E0.000

Thickness

T0.000
T10.300
T20.070
T30.080

Radius

R0.094
R10.094
R20.125
R30.031
R40.031
R50.031
R60.031
R70.031

Additional Specs

Degree90
Circle Size2 - 3 C/S
Factor12
Weight/Foot0.526

Special Note

N/A

Add To Quote

 

Questions? See our alloy guide

Most common: ABCD-1234

*optional

 

*optional

 

Cross Reference Parts

AE Part NumberTMS60-25546

Cessna1D0843

Custom Order

Need a custom part?

We manufacture to your specifications.

Initiate Custom Order

Send us a request

You would like to order something? Have a question or like to make an appointment? Our team of specialists will be happy to assist you. Please fill out our contact form and we will get in touch with you as soon as possible.

We look forward to your message!

 

 

 

 

 

 

logo-icon
logo-text
© 2010 - 2030 Aircraft Extrusion Company.
All Rights Reserved