logo-icon
logo-text
search-icon

Aluminum Tee - Unequal Thickness - TMS60-26721

Units

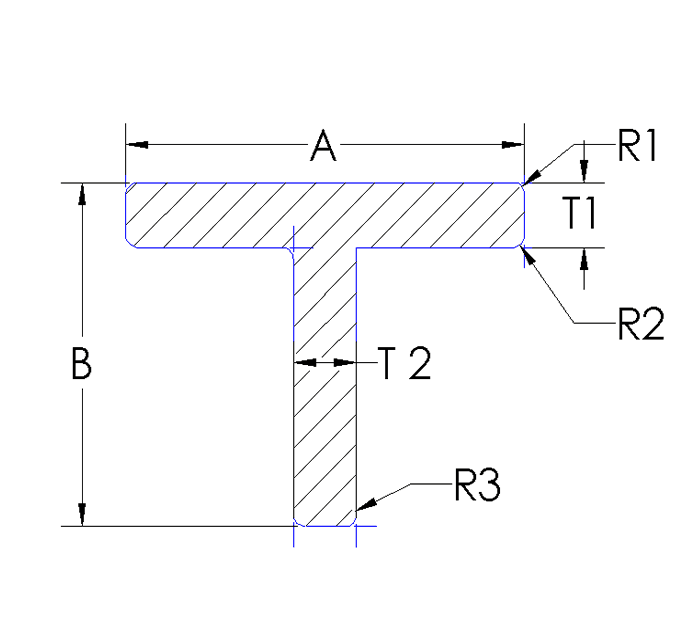
Dimensions

A2.312
B1.405
C0.000
D0.000
E0.000

Thickness

T0.000
T10.281
T20.302
T30.000

Radius

R0.125
R10.031
R20.031
R30.031
R40.000
R50.000
R60.000
R70.000

Additional Specs

Degree90
Circle Size2 - 3 C/S
Factor6
Weight/Foot1.183

Special Note

N/A

Add To Quote

 

Questions? See our alloy guide

Most common: ABCD-1234

*optional

 

*optional

 

Cross Reference Parts

AE Part Number:TMS60-26721

Cessna:S1666717

Custom Order

Need a custom part?

We manufacture to your specifications.

Initiate Custom Order

Send us a request

You would like to order something? Have a question or like to make an appointment? Our team of specialists will be happy to assist you. Please fill out our contact form and we will get in touch with you as soon as possible.

We look forward to your message!

 

 

 

 

 

 

logo-icon
logo-text
© 2010 - 2030 Aircraft Extrusion Company.
All Rights Reserved