logo-icon
logo-text
search-icon

Aluminum Channel - Unequal Legs - TMS60-28413

Units

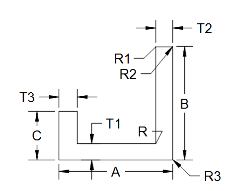
Dimensions

A0.935
B4.166
C1.652
D0.000
E0.000

Thickness

T0.000
T10.100
T20.062
T30.062

Radius

R0.062
R10.016
R20.016
R30.016
R40.000
R50.000
R60.000
R70.000

Additional Specs

Degree90
Circle Size2 - 3 C/S
Factor25
Weight/Foot0.536

Special Note

N/A

Add To Quote

 

Questions? See our alloy guide

Most common: ABCD-1234

*optional

 

*optional

 

Cross Reference Parts

AE Part Number:TMS60-28413

Custom Order

Need a custom part?

We manufacture to your specifications.

Initiate Custom Order

Send us a request

You would like to order something? Have a question or like to make an appointment? Our team of specialists will be happy to assist you. Please fill out our contact form and we will get in touch with you as soon as possible.

We look forward to your message!

 

 

 

 

 

 

logo-icon
logo-text
© 2010 - 2030 Aircraft Extrusion Company.
All Rights Reserved