logo-icon
logo-text
search-icon

Aluminum Formed Semi-Closed Channel - TMS60-31359

Units

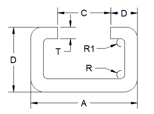
Dimensions

A2.000
B0.859
C1.000
D0.500
E0.000

Thickness

T0.064
T10.000
T20.000
T30.000

Radius

R0.130
R10.130
R20.016
R30.016
R40.194
R50.194
R60.000
R70.000

Additional Specs

Degree90
Circle Size2 - 3 C/S
Factor0
Weight/Foot3.197

Special Note

N/A

Add To Quote

 

Questions? See our alloy guide

Most common: ABCD-1234

*optional

 

*optional

 

Cross Reference Parts

AE Part Number:TMS60-31359

Boeing:BAC1494-118

Custom Order

Need a custom part?

We manufacture to your specifications.

Initiate Custom Order

Send us a request

You would like to order something? Have a question or like to make an appointment? Our team of specialists will be happy to assist you. Please fill out our contact form and we will get in touch with you as soon as possible.

We look forward to your message!

 

 

 

 

 

 

logo-icon
logo-text
© 2010 - 2030 Aircraft Extrusion Company.
All Rights Reserved