logo-icon
logo-text
search-icon

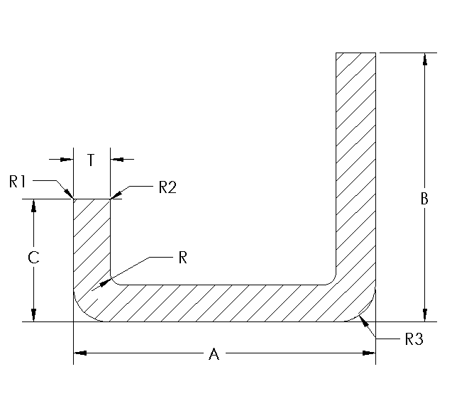
Aluminum Formed Channel - Unqual Legs - TMS60-32539

Units

Dimensions

A2.016
B0.625
C0.625
D0.000
E0.000

Thickness

T0.064
T10.000
T20.000
T30.000

Radius

R0.130
R10.016
R20.016
R30.194
R40.000
R50.000
R60.000
R70.000

Additional Specs

Degree90
Circle Size2 - 3 C/S
Factor0
Weight/Foot0.233

Special Note

N/A

Add To Quote

 

Questions? See our alloy guide

Most common: ABCD-1234

*optional

 

*optional

 

Cross Reference Parts

AE Part Number:TMS60-32539

Boeing:BAC1493-190. 00

Custom Order

Need a custom part?

We manufacture to your specifications.

Initiate Custom Order

Send us a request

You would like to order something? Have a question or like to make an appointment? Our team of specialists will be happy to assist you. Please fill out our contact form and we will get in touch with you as soon as possible.

We look forward to your message!

 

 

 

 

 

 

logo-icon
logo-text
© 2010 - 2030 Aircraft Extrusion Company.
All Rights Reserved