logo-icon
logo-text
search-icon

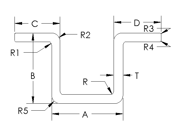
Aluminum Formed Hat - TMS60-32707

Units

Dimensions

A1.000
B1.000
C0.665
D0.665
E0.000

Thickness

T0.040
T10.000
T20.000
T30.000

Radius

R0.063
R10.063
R20.103
R30.016
R40.016
R50.103
R60.000
R70.000

Additional Specs

Degree90
Circle Size3 -4 C/S
Factor0
Weight/Foot0.193

Special Note

N/A

Add To Quote

 

Questions? See our alloy guide

Most common: ABCD-1234

*optional

 

*optional

 

Cross Reference Parts

AE Part Number:TMS60-32707

Boeing:BAC1500-2215

Custom Order

Need a custom part?

We manufacture to your specifications.

Initiate Custom Order

Send us a request

You would like to order something? Have a question or like to make an appointment? Our team of specialists will be happy to assist you. Please fill out our contact form and we will get in touch with you as soon as possible.

We look forward to your message!

 

 

 

 

 

 

logo-icon
logo-text
© 2010 - 2030 Aircraft Extrusion Company.
All Rights Reserved