logo-icon
logo-text
search-icon

Aluminum Bulb Angle - TMS60-3975

Units

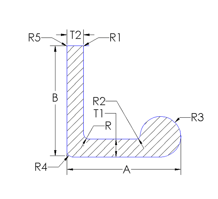
Dimensions

A1.000
B0.750
C0.000
D0.000
E0.000

Thickness

T0.000
T10.050
T20.050
T30.000

Radius

R0.062
R10.010
R20.062
R30.075
R40.010
R50.010
R60.000
R70.000

Additional Specs

Degree90
Circle Size1 - 2 C/S
Factor30
Weight/Foot0.118

Special Note

N/A

Add To Quote

 

Questions? See our alloy guide

Most common: ABCD-1234

*optional

 

*optional

 

Cross Reference Parts

AE Part NumberTMS60-3975

BoeingBAC1504-2541

Custom Order

Need a custom part?

We manufacture to your specifications.

Initiate Custom Order

Send us a request

You would like to order something? Have a question or like to make an appointment? Our team of specialists will be happy to assist you. Please fill out our contact form and we will get in touch with you as soon as possible.

We look forward to your message!

 

 

 

 

 

 

logo-icon
logo-text
© 2010 - 2030 Aircraft Extrusion Company.
All Rights Reserved