You would like to order something? Have a question or like to make an appointment? Our team of specialists will be happy to assist you. Please fill out our contact form and we will get in touch with you as soon as possible.
We look forward to your message!
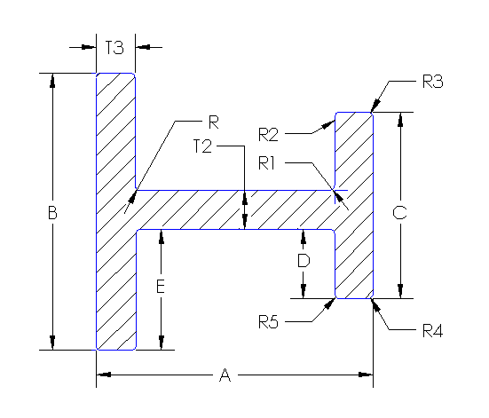
| A | 1.400 |
| B | 3.700 |
| C | 2.000 |
| D | 0.950 |
| E | 1.800 |
| T | 0.000 |
| T1 | 0.060 |
| T2 | 0.100 |
| T3 | 0.060 |
| R | 0.250 |
| R1 | 0.120 |
| R2 | 0.016 |
| R3 | 0.016 |
| R4 | 0.016 |
| R5 | 0.016 |
| R6 | 0.000 |
| R7 | 0.000 |
| Degree | 90 |
| Circle Size | 0 - 1 C/S |
| Factor | 23 |
| Weight/Foot | 0.604 |
AE Part NumberTMS60-5122
Deutsche Airbus9540-01-124-5874
DouglasK30-52